Orders are typically delivered to Belgium within 48 hours depending on location.
Free delivery to Belgium on orders of 50 EUR or more. A delivery charge of 18 EUR will be billed on all orders less than 50 EUR.
UPS freight pre-paid: DDP (Duty and customs paid by DigiKey)
FedEx or DHL freight pre-paid: CPT (Duty, customs, and VAT due at time of delivery)
Credit account for qualified institutions and businesses
Payment in Advance by Wire Transfer
![]()
![]()
![]()
![]()


More Products From Fully Authorized Partners
Average Time to Ship 1-3 Days, extra ship charges may apply. Please see product page, cart, and checkout for actual ship speed.
Incoterms: CPT (Duty, customs, and applicable VAT/Tax due at time of delivery)
For more information visit Help & Support
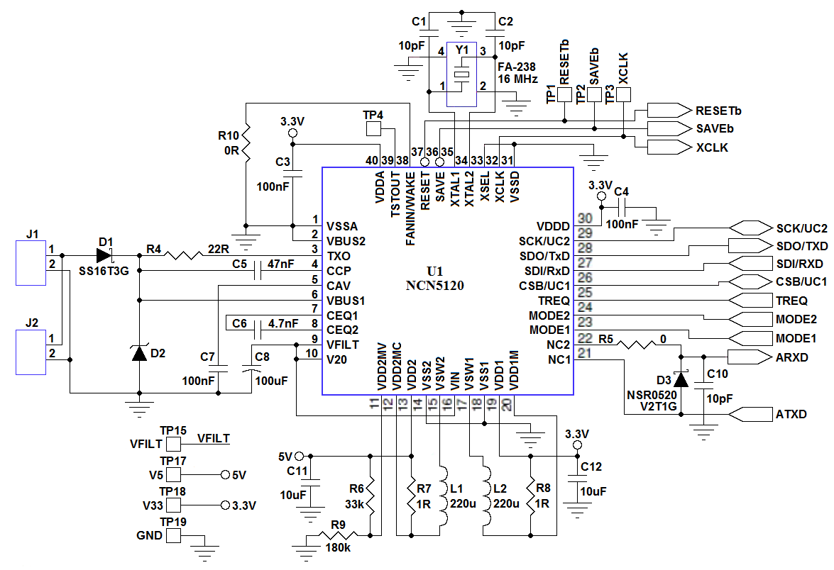
The NCN5120 Reference Design mimics a switch application suitable for use in KNX twisted pair networks (KNX TP1-256). Only 2 wires are needed for communication and power. It contains the NCN5120 KNX Transceiver which handles the transmission and reception of data on the bus. It will also generate all necessary voltages to power the board and external loads.
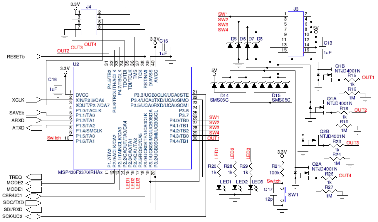
The Reference Design contains a microcontroller with debug interface for custom firmware development. Up to 4 external switches can be monitored and up to 4 external loads can be controlled. A voltage between 3.3 V and 21 V is available to drive the external loads. The NCN5120 Reference Design assures safe coupling to and decoupling from the KNX bus. Bus monitoring warns the external microcontroller for loss of power so that critical data can be stored in time.
| Manufacturer | onsemi |
|---|---|
| Category | Wired Communication |
| Sub-Category | Interface Solutions |
| Eval Board Part Number | NCN51206GEVBOS-ND |
| Eval Board Supplier | onsemi |
| Eval Board |
Board not Stocked
|
| Purpose |
KNX Network
|
| Component Count + Extras |
51 + 5
|
| Features |
MCU Controlled
SPI Interface Thermal Protection UART Interface |
| Data Rate (Max) |
9600 baud
|
| Design Author |
ONSemiconductor
|
| Main I.C. Base Part |
NCN5120
|
| Date Created By Author | 2013-05 |
| Date Added To Library | 2017-04 |
Co-Browse
By using the Co-Browse feature, you are agreeing to allow a support representative from DigiKey to view your browser remotely. When the Co-Browse window opens, give the session ID that is located in the toolbar to the representative.
DigiKey respects your right to privacy. For more information please see our Privacy Notice and Cookie Notice.
Yes, Continue to Co-BrowseGet fast and accurate answers from DigiKey's Technicians and Experienced Engineers on our TechForum.
Please visit the Help & Support area of our website to find information regarding ordering, shipping, delivery and more.
Registered users can track orders from their account dropdown, or click here. *Order Status may take 12 hours to update after initial order is placed.
Users can begin the returns process by starting with our Returns Page.
Quotes can be created by registered users in myLists.
Visit the Registration Page and enter the required information. You will receive an email confirmation when your registration is complete.
Orders are typically delivered to Belgium within 48 hours depending on location.
Free delivery to Belgium on orders of 50 EUR or more. A delivery charge of 18 EUR will be billed on all orders less than 50 EUR.
UPS freight pre-paid: DDP (Duty and customs paid by DigiKey)
FedEx or DHL freight pre-paid: CPT (Duty, customs, and VAT due at time of delivery)
Credit account for qualified institutions and businesses
Payment in Advance by Wire Transfer
![]()
![]()
![]()
![]()


More Products From Fully Authorized Partners
Average Time to Ship 1-3 Days, extra ship charges may apply. Please see product page, cart, and checkout for actual ship speed.
Incoterms: CPT (Duty, customs, and applicable VAT/Tax due at time of delivery)
For more information visit Help & Support
Thank you!
Keep an eye on your inbox for news and updates from DigiKey!
Please enter an email address