Maker.io main logo

Arduino/MBed Power Supply Design

56

2023-03-17 | By Jack Hannum

License: Apache License, Version 2.0 Power Supplies Arduino ARM mbed

If you’re reading a blog post here on Maker.io, odds are pretty good you’ve at least heard of the Arduino or its many microcontroller board rivals. You’ve probably even done some projects with one. A common issue developers run into when they try to move these boards from the workbench into practical projects is how to power them: after all, when you’re programming them, the computer powers the board for you! Once we have code that we know works and move away from the computer, we need a way to keep the board running, preferably without too much unnecessary power draw and from sources that are commonly available. For a system intended to run continuously, a wall outlet would be ideal, but this poses some practical problems.

Arduino-MBed Power Supply Design

First off, the microcontroller board requires DC power! Even worse, it requires a small DC voltage- probably 3.3V, and almost certainly no more than 24V. This voltage should be tightly regulated and ideally able to be changed to meet the requirements of different boards or other loads. The voltage shouldn’t drop unacceptably when the load draws more current, nor should it spike and damage the equipment when the load drops. Our source is the grid, so a 120V(RMS) 60Hz outlet in the USA. How do we go from a voltage source that swings from -169V to 169V 60 times every second to a constant 3.3V DC output we can pass to a sensitive microcontroller without frying it?

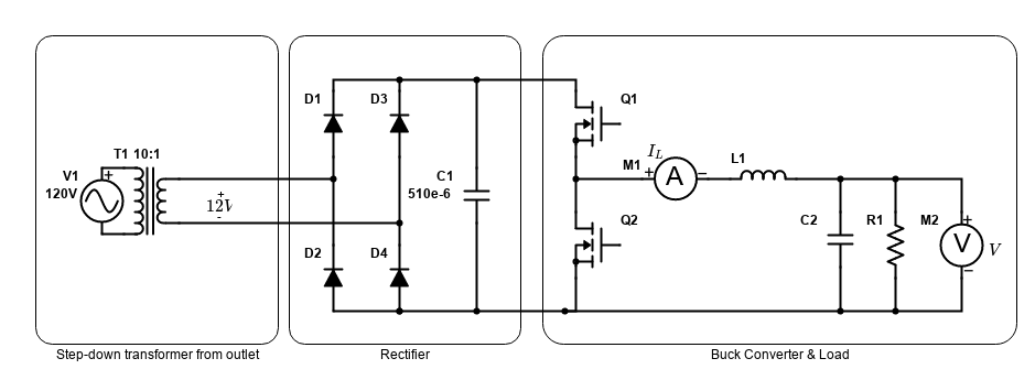
AC DC Microcontroller power supply schematic

In this series, I’ll show you how to do exactly that with a rectifier and a buck converter, as shown above. You’ll learn what a rectifier is, how it turns AC into DC, how it can serve loads, and why we need a controllable output stage before we connect to a load. You’ll learn some basics of power electronics design, specifically how to design a buck converter given some simple specifications. You’ll learn some basics of control design, which is inseparable from power electronics, and about the incredible things you can accomplish with feedback control. You’ll see how to take a schematic and turn it into a bill of materials you can purchase from Digi-Key, and how to turn those materials into a functional product. Along the way, you’ll get some basics of simulation and how it can help you navigate an iterative design process. Let’s get started!

 

 

 

Have questions or comments? Continue the conversation on TechForum, DigiKey's online community and technical resource.