WE-EPLE USB Connector with Integrated EMI and ESD Protection
Wurth Electronics introduces the market's first USB 2.0 connector with integrated magnetics for ESD protection and EMI filtering
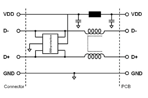
Wurth Electronic's WE-EPLE USB connector's housing pins are compatible with most standard market USB connectors so it can replace a standard connector when EMI noise occurs in applications where redesign is not possible. For ESD protection, Wurth is using their own TVS diodes which fulfill IEC61000-4-2, IEC61000-4-3, and IEC61000-4-5. For EMC filtering, they have used their deep knowledge in the area of magnetics to offer the best possible noise filtering. This includes a data line filter for D- and D+, as well as filter construction for VDD.
For more information about USB filtering, download the Wurth Electronics USB application note or order the application handbook, Trilogy of Magnetics.
WE-EPLE USB Connector Internal Schematic
WE-EPLE USB Connector
| Image | Manufacturer Part Number | Description | Available Quantity | Price | View Details | |
|---|---|---|---|---|---|---|
![]() | ![]() | 8492121 | CONN RCPT USB2.0 TYPEA 4POS R/A | 910 - Immediate | $10.14 | View Details |



