Electric Vehicle Applications and Components
Enabling the future of mobility with components that drive performance, safety, and efficiency in EV applications.
Electric vehicles are one of the fastest growing markets, pushing innovation to new levels in performance, safety, and efficiency. As EV technology continues to advance, designers face the challenge of creating systems that deliver reliable power, seamless communication, and optimal energy use. Murata’s decades of expertise in electronics help make those goals possible. Our components are engineered to support everything from efficient power conversion to dependable battery performance, working behind the scenes to enable longer range, greater reliability, and a cleaner future.
- Battery Management System (BMS)
- DC-DC Converter
- Engine Control Unit (ECU)
- Inverter
- Level 3 DC Charging Station
- On Board Charger (OBC)
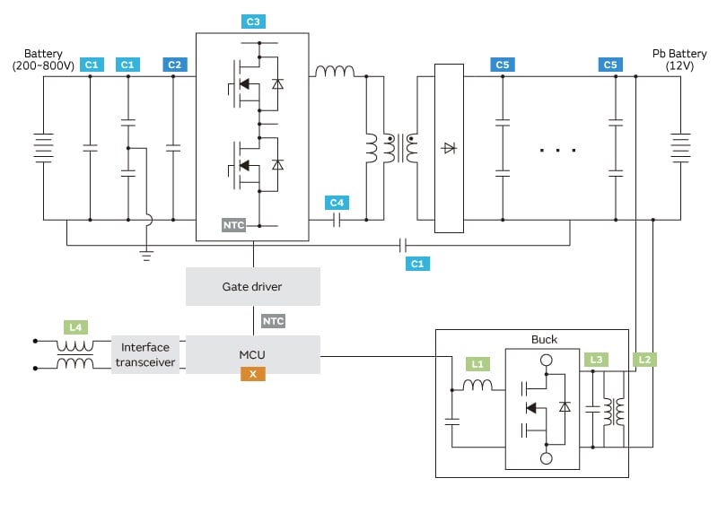
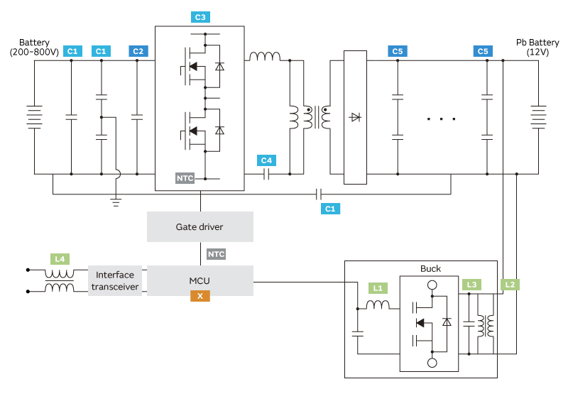
Battery Management System (BMS)
BMS designs demand accurate sensing, robust isolation, and compact layouts for safe, efficient battery control. Murata solutions enhance measurement accuracy, maintain communication integrity, and fit within tight design constraints.
Advantages:
- Precision current sensors for accurate monitoring
- High-voltage isolation devices for safety
- Compact capacitors for space-saving designs

DC-DC Converter
DC-DC converters must provide efficient, stable voltage regulation between high-voltage batteries and low-voltage systems. Murata products deliver low-loss performance in compact packages to save space and improve thermal management.
Advantages:
- Miniaturized capacitors for high-density designs
- Low-loss inductors for improved efficiency
- Components with reliable performance across wide voltage ranges

Engine Control Unit
ECUs operate in noisy, high-temperature environments and require precise control. Murata’s products maintain signal integrity, suppression noise, and endure stable power delivery in compact, rugged packages.
Advantages:
- Capacitors optimized for stability and noise suppression
- Inductors rated for high-temperature operation
- EMI filters for clean, reliable signal performance

Inverter
EV inverters require high power density and efficiency while managing switching noise and heat. Murata components improve conversion performance, reduce losses, and ensure stable operation in harsh environments.
Advantages:
- Low-ESR capacitors for reduced switching losses
- High-current inductors for thermal stability
- EMI suppression devices for cleaner power delivery

Level 3 DC Charging Station
Fast-charging infrastructures must operate at extreme voltages and currents, demanding components that deliver stability and efficiency. Murata solutions enable compact, thermally robust chargers that meet global EMI and safety standards.
Advantages:
- High-voltage capacitors for low-loss performance
- Common mode chokes for noise suppression
- EMI filters for compliance with charging regulations

On Board Charger (OBC)
OBCs must efficiently convert AC to DC while meeting EMI, thermal, and space requirements. Murata components deliver stable conversion, effective noise suppression, and reliable performance in automotive environments.
Advantages:
- High-voltage capacitors for AC-to-DC conversion
- Common mode chokes for EMI reduction
- EMI suppression devices for compliance with global standards

Resources
Videos
- Murata PTC Thermistors for Reliable Temperature Sensing and Current Limitation
- Wide Range Temperature Sensing with Murata NCU NTC Thermistors
- Temperature Sensing & Control with Murata High Performance NTC Thermistors
- BNX02 Series – Block Type EMI Suppression Filter
- Murata Electronics Power Inductors in 90 Seconds!
- Type 2BP Module

