Microcontrollers with Graphics Display Capabilities are in High Demand
Bijgedragen door Electronic Products
2012-11-07
A graphical user interface has got to be high on every system designer’s interest list. While a two-line segmented display might have been good for user interface a few years ago, the advent of smart cell phones and the iPad means customers are, or will be shortly, asking why your system does not have a fancy display. So design engineers are looking at the best (that is, easiest) way to get a high-res graphics display on any equipment that has a user interface.
There are many microcontrollers with segmented LCD controllers – 8-, 16-, or 32-bit. If you want graphic elements displayed on the screen and, in particular, complex graphic elements, the selection is a lot smaller and the design more complicated. One approach is to use a PC. PCs always have graphics controllers and lately they are integrated into the Intel or AMD CPU. So if you can use a PC motherboard or one of many single-board computers available with x86 CPUs, you need only to find software libraries to go with whatever standard display you choose.
For other embedded systems, there are some interesting microcontrollers with graphics capabilities available to the design engineer. If you really don’t need “high performance,” and you can get away with a QVGA (320 x 240) resolution with 256 colors (Table 1), you can often get the display memory into on chip RAM. And, you can use a 16-bit MCU.
| Display type & size | Color depth and memory requirement (in bytes) | ||||||
| 1 bits/pixel (Mono) |
2 bits/pixel (4 shades) |
4 bits/pixel (16 shades) |
8 bits/pixel (256 colors) |
16 bits/pixel (65K colors) |
|||
| WVGA | 800x480 | 7" | 48,000 | 96,000 | 192,000 | 384,000 | 768,000 |
| VGA | 640x480 | 5.7" | 38,400 | 76,800 | 153,600 | 307,200 | 614,400 |
| WQVGA | 480x272 | 4.3" | 16,320 | 32,640 | 65,280 | 130,560 | 261,120 |
| QVGA | 320x240 | 3.2" | 9,600 | 19,200 | 38,400 | 76,800 | 153,600 |
| Common for OLED | 128x64 | 1"-2.7" | 1,024 | 2,048 | 4,096 | 8,192 | 16,384 |
Let’s look at a few good examples of MCUs that have an integrated LCD graphics controller.
Microchip PIC24
The PIC24FJ256DA206 (Figure 1) 16-bit MCU features three graphics hardware accelerators to facilitate rendering of block copying, text and unpacking of compressed data and a color look-up table. The IC has 256 Kbytes of flash and 96 Kbytes of SRAM.
The chip also has an Enhanced Parallel Master Port (EPMP) for up to 16 Mbytes of external graphics RAM, if needed. This device has five timers, USB v2.0 On-The-Go, UART, SPI, and I2C I/O, 24 channels of 10-bit A/D conversion, and a real-time clock. It is said to be one of the lowest cost graphics solutions for QVGA and WQVGA displays.

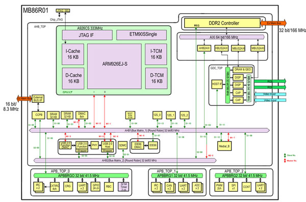
Fujitsu MB86R01
The Fujitsu MB86R01 ‘Jade’ SoC (Figure 2) has a 32-bit ARM926EJ-S CPU core with a high-performance graphics display controller core with a 320 MHz internal memory frequency and enough performance for display resolutions up to 1024 x 768. It also features six layers of overlay window displays, with an alpha plane and constant alpha value for each layer, and two separate video-capture units that support YUV, RGB, ITU656, and other formats.
Jade targets automotive graphics applications, but is equally suited to many other high performance applications. The device features a hierarchical bus system that isolates high performance functions, such as 3D graphics processing, from routine operations such as low speed I/O. The ARM core runs at 333 MHz and the graphics core at 166 MHz. The external memory controller supports 302 MHz DDR2.
The chip supports two video inputs (YUV/ITU656 or RGB) and enables both upscaling and downscaling of a video image. It also can support two unique displays, and has two CAN ports, A/D and D/A converters, IDE, USB, SPI, FlexRay, and a Media LB port.

Atmel SAM9G
The Atmel SAM9G10 has an ARM926E-J-S core with DSP extensions and Java acceleration running at up to 400 MHz. It features an advanced graphics LCD controller with 4-layer overlay and 2D acceleration (picture-in-picture, alpha-blending, scaling, rotation, color conversion) and a 10-bit A/D converter that supports 4- or 5-wire resistive touchscreen panels. The chip has a 64-Kbyte ROM, 32 Kbytes of high-speed SRAM, and a 32-bit external bus memory interface supporting DDR2, static memories, and has circuitry for MLC/SLC NAND flash with ECC up to 24 bits. The device has no flash, but 32 Kbytes of fast ROM and 16 Kbytes of SRAM.
The SAM9G graphics controller supports 1 to 24 bits/pixel with scaling up to 800 x 600 pixels and has a 384-byte asynchronous output FIFO. The chip’s 10-layer bus matrix coupled with 2 x 8 DMA channels and dedicated DMAs for the communication and interface peripherals ensure uninterrupted data transfers with minimal processor overhead.
Multiple communication interfaces include a soft modem supporting the Conexant SmartDAA line driver, HS USB, FS USB Host, a 10/100 Ethernet MAC, two HS SDCard/SDIO/MMC interfaces, USARTs, SPIs, I2S and TWIs.
Atmel’s SAM9G45 adds a bunch of features including an Ethernet and LIN ports, an A/D converter, PWMs, touch-screen interface, and a camera video input. It comes in a 324-ball TFBGA package.
Texas Instruments AM3358
The Texas Instruments Sitara Am3358 Cortex-A8-based SoC is aimed at portable navigation devices, hand-held gaming and educational devices, home and building automation equipment, and other devices that require portability or low power consumption. It features a touch screen controller user interface, a 3D graphics accelerator (20 million triangles per second), an LCD display controller and 7 mW standby power. The LCD controller consists of two independent controllers, the raster controller and the LCD interface display driver (LIDD) controller.
The raster controller handles the synchronous LCD interface. It provides timing and data for constant graphics refresh to a passive display and supports a wide variety of monochrome and full-color display types and sizes. Graphics data is processed and stored in frame buffer memory and a DMA engine supplies the graphics data to the raster engine which, in turn, outputs to the external LCD device.
The LIDD controller supports the asynchronous LCD interface. It provides full-timing programmability of control signals (CS, WE, OE, ALE) and output data. The maximum resolution for the LCD controller is 2048 x 2048 pixels. The maximum frame rate is determined by the image size in combination with the pixel clock rate.
The chip also has a NEON SIMD coprocessor, 256 Kbytes of L2 Cache with error correcting, and a DDR/DDR2/DDR3 external memory controller. It also features cryptographic acceleration. The chip’s peripherals include CAN, a gigabit Ethernet two-port switch, dual USB + PHYs, LPDDR1/DDR2/DDR3, a programmable real-time unit (PRU), an eight-channel 12-bit A/D converter, a three-channel PWM, a 64-Ch EDMA, and a RTC. TI also makes available a useful evaluation module, designated TMDXEVM3358 (Figure 3).

ARM graphics processing
Another thing you might consider is ARM Mali graphics. At present, this graphics processor is used in a number of smart phones and tablet computer SOCs, such as those for the Samsung Exynos 4212 phone and Galaxy Tab, but it is not yet available in a microcontroller – stay tuned. Obviously, one feature of Mali is very low power and, based on the graphics quality of the end products mentioned, its performance is good as well.
The integrated display controller is capable of directly driving almost any LCD display with an RGB or STN/CSTN interface, which includes a wide range of TFT, STN, and some OLED displays. These features effectively create a complete graphical subsystem that is fully integrated on the same chip as the MCU, driving up to 640 x 480 (VGA) display resolution.
In summary
LCD interfaces are quickly replacing traditional LED and segment LCD displays as designers take advantage of the aesthetic, flexibility and cost benefits they provide. As a result, graphics-enabled devices are found everywhere, including mobile telephones, tablets, digital electric meters, smart remotes, home appliances and in industrial equipment; the list is virtually endless.
As we have seen, more and more microcontrollers (MCUs), in both the 16- and 32-bit space offer integrated graphics controllers that can drive relatively-high-resolution LCDs. But while the graphic hardware allows the embedded MCU to render compelling images, development of the accompanying software can be a challenge. Fortunately, a number of MCU suppliers now offer their customers free access to a robust graphics library and/or third-party GUI development tools that will greatly simplify your design and accelerate time to market. Be sure to ask about available software as part of your MCU-plus-integrated graphics-controller selection process.
Disclaimer: The opinions, beliefs, and viewpoints expressed by the various authors and/or forum participants on this website do not necessarily reflect the opinions, beliefs, and viewpoints of DigiKey or official policies of DigiKey.



